Concepto
Se denomina transformador a un dispositivo electromagnético
que permite aumentar o disminuir el voltaje y la intensidad de una corriente
alterna manteniendo constante la potencia (ya que la potencia que se entrega a
la entrada de un transformador ideal, esto es, sin pérdidas, tiene que ser
igual a la potencia que se obtiene a la salida).
Aunque el
transformador aumente la tensión de un lado a otro (del primario al secundario)
el producto de la V x I, que es la potencia, permanece constante.
Potencia = Tensión x
Intensidad
NO hay
transformadores de corriente continua, solo hay de corriente alterna. Como la mejor forma de
transportar la corriente eléctrica es en alta tensión, pero después hay que
disminuirla hasta 220V al llegar a las viviendas, solo es posible transportar
la corriente en c.a. precisamente porque que existen transformadores, que nos
permiten aumentar la tensión a la salida de la central eléctrica para
transportarla y posteriormente disminuirla para utilizarla en las viviendas,
industrias, etc. Nunca se transporta en c.c.
Clasificación según
la normativa
En una primera aproximación, pueden establecerse distintas
formas de clasificación de los transformadores (o autotransformadores): por la
función que realizan, por la clase de servicio a que se destinan, por el tipo
de construcción, etc.; las más usuales son las que a continuación se detallan:
·
Por
la función que realizan:
-Transformadores elevadores.
-Transformadores reductores.
-Transformadores de distribución ó potencia.
-Transformadores monofásicos ó trifásicos.
·
Por
el servicio a que se destinan:
-Transformadores de subestación.
-Transformadores de generador.
-Transformadores para usos especiales: tracción, hornos,
rectificadores, etc.
·
Por
el tipo de construcción:
-De columnas con bobinas cilíndricas.
-De columnas con bobinas rectangulares.
-Acorazados, etc.
Parámetros eléctricos
del transformador monofásico
Tensión primaria: es la tensión a la cual se debe alimentar
el transformador, dicho en otras palabras, la tensión nominal (V1n) de su
bobinado primario. En algunos transformadores hay más de un bobinado primario,
existiendo en consecuencia, más de una tensión primaria.
Tensión máxima de servicio: es la máxima tensión a la que
puede funcionar el transformador de manera permanente.
Tensión secundaria: si la tensión primaria es la tensión
nominal del bobinado primario del transformador, la tensión secundaria es la
tensión nominal (V2n) del bobinado secundario.
Potencia nominal: es la potencia aparente máxima que puede
suministrar el bobinado secundario del transformador. Este valor se mide en
kilovoltioamperios (kVA).
Relación de transformación (Rt): es el resultado de dividir
la tensión nominal primaria entre la secundaria.
Intensidad nominal primaria (I1n): es la intensidad que
circula por el bobinado primario, cuando se está suministrando la potencia
nominal del transformador. Dicho en otras palabras, es la intensidad máxima a
la que puede trabajar el bobinado primario del transformador.
Intensidad nominal secundaria (I2n): al igual que ocurría
con la intensidad primaria, este parámetro hace referencia a la intensidad que
circula por el bobinado secundario cuando el transformador está suministrando
la potencia nominal.
Tensión de cortocircuito (Vcc): hace referencia a la
tensión que habría que aplicar en el bobinado primario para que, estando el
bobinado secundario cortocircuitado, circule por éste la intensidad secundaria
nominal. Se expresa en porcentaje.
Parámetros eléctricos
del transformador trifásico
I. Objetivo:
Determinar
la impedancia interna de un transformador trifásico así como su reactancia por unidad.
Investigar
cómo se determinan las constantes generales de un transformador.
II. Introducción teórica:
Un
transformador puede ser representado al igual como una línea de transmisión por
un cuadripolo definido por sus constantes generalizadas.
Aquí se cumple:
US = AUR
+ BIR
IS = CUR
+DIR
Las
constantes generalizadas pueden determinarse por pruebas de vacío y
cortocircuito del transformador. Las pruebas anteriores también dan origen a un
circuito equivalente por fase del transformador trifásico, tal como:
III. Equipo y material a
utilizar:
01 Transformador
trifásico LN
01 Vatímetro trifásico
02 Voltímetros
digitales
01 Pinza amperimétrica
01 Fuente de tensión
alterna variable (erfi)
Conductores de conexión
IV. Procedimiento:
Advertencia: Cuidado, el nivel de tensión con que va a
trabajar puede ser peligroso.
Preste atención a lo que está haciendo.
Cuidado con las escaleras de los instrumentos.
Llame al profesor antes de energizar el circuito.
A)
Ensayo en vacío
1. El
transformador que va a utilizar posee TAPS que deben de ser cambiados solo si
el transformador esta desconectado del sistema. Anotar los datos de placa del
transformador.
Tensión secundaria:.............. 4A
Corriente secundaria:............ 4A
Conexión:............................... DELTA
2. Armar
el circuito de la figura N°3:
3. La
prueba se va a realizar por el lado de los TAPS del transformador trifásico.
4. Se
elegirán tres TAPS diferente; de voltajes elevados para realizar el ensayo.
5. Medir
la corriente, potencia y tensión del primario así como también la tensión del
secundario.
|
Tabla N°1
|
||||
|
Transformador
|
|
|||
|
TAPS
|
U secundario
|
I secundaria
|
Potencia
|
U primario
|
|
1 (188V)
|
184,4
|
118 mA
|
20 W
|
218
|
|
2 (220V)
|
215,4
|
117 mA
|
20 W
|
217,3
|
|
3 (244V)
|
238,6
|
99 mA
|
20 W
|
216,7
|
6. Reduci
7. Utilizar un
conductor de sección adecuado y forrado, hacer contacto entre cada fase y
tierra, y entre fase y fase, para eliminar así la energía almacenada en el
transformador luego de haber sido energizado.
B) Ensayo en cortocircuito:
1.
Para el ensayo de cortocircuito se debe
calcular las corrientes nominales de cada lado del transformador trifásico.
TAPS
2.
Armar el circuito de la figura N°4:
3.
Se va a cortocircuito el lado de los TAPS en
los transformadores y la alimentación para el ensayo se realizará por el otro
bobinado.
4.
Incrementar la tensión lentamente desde cero,
utilizando la fuente de tensión regulable, hasta obtener un 85% de la corriente
nominal del transformador para cada TAPS y se va a medir las corrientes tanto
en el lado primario como secundario de los transformadores así como la tensión
de corto circuito primaria y la potencia primaria.
Realizar las medidas de
seguridad
5.
No se olvide de reducir la tensión a cero,
apagar la fuente y descargar el transformador antes de efectuar el cambio de
TAPS.
|
Tabla N°2
|
||||
|
Transformador
|
|
|||
|
TAPS
|
U .cc primario
|
I primaria
|
Potencia
|
U secundaria
|
|
1 (4,7 A)
|
18,37
|
5,53
A
|
167
W
|
4,63
|
|
2 (4 A)
|
16,35
|
3,99
A
|
108
W
|
3,94
|
|
3 (3,6 A)
|
15,75
|
3,12
A
|
81,8
W
|
3,43
|
6.
Reducir el voltaje a cero y desconectar la
fuente.
V. Cálculos:
1.
Utilizando los datos de la tabla N°2 determinar
la impedancia equivalente del transformador así como sus componentes para un
TAP dado.
TAP elegido: 220V
Z.equiv.
= Vcc / Icc = 16,37 / 3,94 = 4,15
R.equiv.
= Pcc / 3(Icc x Icc) = 108 / 3(3.94 x
3.94) = 2,32
X.equiv.
= ((Z.equiv.x Z.equiv.) – (R.equiv. x
R.equiv.))1/2 = 3,44
2.
Determinar la reactancia en por unidad del
transformador ensayado.
Z.base = (Ub x Ub) / Sb = (400x400)/1800 = 88,89
X.p.u. =
Xequiv. / Zb = 3,44 / 88,89 =
0,039
3.
En base a los datos de la tabla N°1 determinar
la admitancia de excitación así como sus
componentes, para el mismo TAP elegido anteriormente.
Y.equiv.
= 1 / Z.equiv. = 1 / 1857,26 = 0,000538
G.equiv.
= 1 / R.equiv. = 1 / 487 = 2,05 Ω
B.equiv. = 1 /
X.equiv. = 1 / 1792,27 = 0,000556
*Zequ.= 1857,26
*Requ.= 487
*Xequ.= 1792,27
Tener presente que:
Se ha determinado la
impedancia equivalente del transformador referido al lado en delta del
transformador y la admitancia equivalente del circuito de excitación referido
al lado estrella del transformador.
4.
Determinar el circuito equivalente monofásico
del transformador ensayado para el TAP elegido.
Posibles cálculos:
|
Fórmulas
|
Valores
|
Resultados
|
|
R.p.u.
= Rr / Zb
X.p.u.
= Xr / Zb
G.p.u.
= Gr / Yb
B.p.u.
= Br / Yb
|
R.p.u.
= 2,319 / 88,89
X.p.u
= 3,44 / 88,89
G.p.u
= 2,05 / 0,0112
B.p.u.
= 0,000556 / 0,0112
|
R.p.u.
= 0,026
X.p.u
= 0,39
G.p.u
= 0,183
B.p.u.
= 0,049
|
5.
Reemplazar los dados obtenido en el siguiente
circuito:
VI. Aplicaciones:
1.
Desarrollo el siguiente caso:
Un transformador de
distribución de 50 KVA, 13.8/0.208 KV conectado en Δ-Y tiene una resistencia de
1% y una reactancia de 7% por unidad.
2.
Conexiones en transformadores trifásicos.
3.
Características de la conexión V-V (Delta
abierto trifásico), usos y aplicaciones de este tipo de conexión.
4.
Desarrollo y explicación del sistema por unidad
para transformadores trifásicos.
5.
Investigue como se realizan los ensayos para
determinar las constantes generales de un transformador (A, B, C, D) y que
formulas se emplean en base a los datos de estos ensayos.
VII. Observaciones y conclusiones:
Observaciones:
·
Se observó que es de vital
importancia, los datos de placa de un motor.
·
Observamos que para alimentar
en el circuito de la fig. Nº3 era por el lado de tensión en baja.
·
Observamos que nuestro
transformador poseía 4 Taps que nos daban diferentes tensiones con las que se
podía trabajar.
·
Observamos que el primario del
transformador se encontraba conectado en Delta.
·
Observamos que el secundario
del transformador está conectado en Estrella con Neutro accesible.
·
Se observo que en la FIG 4, se
alimentaba por el lado de alta tensión.
·
Observamos que era necesario
medir potencia, corriente y tensión por lo que utilizamos el fluke 43B que nos
da todos estos valores.
Conclusiones:
·
Se concluye que en el primer
circuito la tensión en el secundario no es constante, y que varía muy poco en
los valores medidos.
·
También concluimos que la
corriente en el secundario conforme se va cambiando de tap, y va aumentando la
tensión, nuestra corriente va disminuyendo, así como nuestra potencia que se
mantiene constante.
·
Se concluye que la tensión en
el primario si esa constante, ya que nos está dando los valores de la tensión
inyectada por la fuente.
·
Concluimos que para el ensayo
en corto circuito hallamos las corrientes nominales por la ecuación:
Con la
cual a partir de estos valores, le sacamos el 85% de s valor, par que al
iniciar el energizado no dañemos el transformador.
·
Se concluye que para energizar
el trafo, todo depende de la corriente secundaria, ya que esta es la que nos da
a que tensión se está trabajando, así
que en los datos de tensión de cortocircuito tuvimos valores, muy bajos como
18v-15v.
·
Concluimos que la corriente
primaria era un poco variable ala de la secundaria, y que la potencia al
disminuir corriente, esta también disminuía.
·
Se concluye que para hacer los
cálculos escogimos el Tap :220v, y para hallar datos como impedancia
equivalente, resistencia equivalente, y reactancia equivalente se utilizaron
los valores medidos en cortocircuito.
Por
último concluimos que para determinar los últimos cálculos en pu, previamente
se tuvieron que realizar cálculos pero con los datos de vacío como impedancia,
conductancia y suceptancia, los cuales fueron hallados por (impedancia
equivalente, resistencia
Diagrama vectorial
Para
obtener la regulación de voltaje en un transformador se requiere entender las
caídas de voltaje que se producen en su interior. Consideremos el circuito
equivalente del transformador simplificado de la figura 5. Los efectos de la
rama de excitación en la regulación de voltaje del transformador puede,
ignorarse, por lo tanto que solamente las impedancias en serie deben tomarse en
cuenta. La regulación de voltaje de un transformador depende tanto de la
magnitud de estas impedancias como del ángulo fase de la corriente que circula
por el transformador. La forma más fácil de determinar el efecto de la
impedancia y de los ángulos de fase de la corriente circulante en la regulación
de voltaje del transformador es analizar el Diagrama Fasorial, un esquema de
los voltajes y corrientes fasoriales del transformador.
En los
diagramas siguientes, el voltaje fasorial VS se supone con un ángulo de 0° y
todos los demás voltajes y corrientes se comparan con dicha suposición. Si se
aplica la ley de voltajes de Kirchhoff al circuito equivalente de la figura 5
(b), el voltaje primario se halla:
VP / a = VS + REQ IS + j XEQ IS
Un
diagrama fasorial de un transformador es una representación visual de esta
ecuación.
Es muy fácil ver que VP / a VS para cargas en atraso, así que la
regulación de voltaje de un transformador con tales cargas debe ser mayor que
cero.
Se
puede ver un diagrama fasorial con un factor de potencia igual a uno. Aquí
nuevamente se ve que el voltaje secundario es menor que el primario, de donde
VR 0. Sin embargo, en esta oportunidad la regulación de voltaje es un número
más pequeño que el que tenía con una corriente en atraso.
Si la corriente secundaria está adelantada, el voltaje
secundario puede ser realmente mayor que el voltaje primario referido. Si esto
sucede, el transformador tiene realmente una regulación negativa.
Principio de
funcionamiento
El
funcionamiento de los transformadores se basa en el fenómeno de la inducción
electromagnética, cuya explicación matemática se resume en las ecuaciones de
Maxwell.
Al
aplicar una fuerza electromotriz en el devanado primario o inductor, producida
esta por la corriente eléctrica que lo atraviesa, se produce la inducción de un
flujo magnético en el núcleo de hierro. Según la ley de Faraday, si dicho flujo
magnético es variable, aparece una fuerza electromotriz en el devanado
secundario o inducido. De este modo, el circuito eléctrico primario y el
circuito eléctrico secundario quedan acoplados mediante un campo magnético.
La
tensión inducida en el devanado secundario depende directamente de la relación
entre el número de espiras del devanado primario y secundario y de la tensión
del devanado primario. Dicha relación se denomina relación de transformación.
Aspectos constructivos
El tanque
conservador aislante
Este
tanque consiste de un recipiente fijo a la parte superior del transformador
sobre el tanque o carcaza. Está destinado a recibir el aceite del tanque cuando
éste se expande, debido al efecto del calentamiento por pérdidas internas. Por
lo tanto, algunos transformadores de potencia necesitan una cámara de compensación
de expansión del líquido aislante.
Los
transformadores que no poseen el tanque de expansión se denominan
transformadores sellados.
Los
transformadores sellados son aquellos que tienen una capa de gas inerte entre
la tapa y el nivel del líquido aislante, y cuando éste se expande, como
consecuencia de un calentamiento debido a la carga, la capa de gas se comprime
ejerciendo un gran esfuerzo sobre el tanque. El límite práctico para la
construcción de 2000 kVA, son propios para operar en ambientes agresivos o
extremadamente húmedos, donde el uso de secador de aire no es recomendable.
Secador de
aire
Los
transformadores operan normalmente con un ciclo de carga variable, produciendo
calentamiento del líquido aislante en los periodos de carga máxima y de enfriamiento
del mismo en periodos de carga ligera, de esta manera siempre que el líquido
aislante se ha calentado, se expande, expulsando el aire que queda contenido en
la cámara de compensación o en el conservador de aceite. Por el contrario,
durante el periodo de baja carga, el líquido se enfría provocando la entrada de
aire en el interior del tanque, excepto en los transformadores sellados que son
en baja potencia, de esta forma se puede decir que respira el transformador.
El núcleo
El
núcleo de un transformador de potencia consiste básicamente de un laminado de
acero al silicio, los devanados primario y secundario, los accesorios para
cambio de tensión (cambiador de derivaciones) y básicamente las siguientes
partes:
a)
Núcleo de acero
Este
núcleo está constituido de una gran cantidad de placas de acero al silicio de
granos orientados,montadas en superposición, estas chapas de acero tienen un
espesor variable y se fabrican de acuerdo con estándares internacionales, cuya
nomenclatura más común es la de la Armco, que presentan códigos dados por los
números 5, 6, 7 y 8. El número más bajo expresa placas que requieren menor
corriente de excitación y menores pérdidas por histéresis. Las placas de acero
al silicio son aleaciones que contienenalrededor del 5% de silicio, cuya
función es reducir las pérdidas por histéresis y aumentar la resistencia del
acero, permitiendo con esto reducir las corrientes parásitas.
Las
placas de acero al silicio son laminadas en frío, seguidas de un tratamiento
térmico adecuado que permite que los granos magnéticos se orienten en el
sentido de la laminación, están cubiertas por una fina capa de material
aislante y se fabrican dentro de los límites máximos de pérdidas
electromagnéticas, que varían entre 1.28 W/Kg y una densidad de flujo de 1.50
Tesla a 1.83 W/Kg, que corresponde a una densidad de flujo de 1.7 Tesla a la
frecuencia industrial (60 Hz).
Las
dimensiones del núcleo magnético se deben hacer equilibrando el número de
espiras de la bobina con las dimensiones del núcleo de fierro. Si se usan
bobinas con pocas espiras, entonces se debe emplear un núcleo magnético de
grandes dimensiones. Por el contrario, si se usan bobinas con muchas espiras
entonces el núcleo de acero reduce sus dimensiones.
Devanados
Estos
devanados están formados por bobinas primaria y secundaria, y en algunos casos
de terciarias. Los conductores son normalmente de cobre electrolítica, aislados
con esmalte y cubiertos con cintas de algodón o papel especial, eventualmente
se usa conductor de aluminio.
De
acuerdo con la clase de aislamiento pueden ser:
Clase
A – Límite 105°C
Clase
E – Límite 120°C
Clase
B – Límite 130°C
Clase
F – Límite 155°C
Clase
H – Límite 180°C
Cambiador de
derivaciones
El
cambiador de derivaciones (Taps) tiene la función básica de elevar o reducir la
tensión secundaria del transformador de acuerdo al nivel de tensión en el
primario. El cambiador de derivaciones no corrige la falta de regulación de un
sistema, cuando la variación de tensión es muy grande en una red, considerando
los distintos puntos de la curva de carga diaria, el cambio de derivación se
debe tomar con cautela, para que no se tenga en un determinado momento niveles
de tensión intolerables en el secundario del transformador. Por lo tanto, la
utilización correcta del cambiador de derivaciones, se hace cuando la tensión
está permanentemente baja. Los cambiadores de derivación se clasifican como:
con carga y sin carga. Los cambiadores con carga sólo se usan en
transformadores de gran potencia en las redes de transmisión, en tanto que los
cambiadores sin carga se usan en los transformadores de potencias bajas usados
en las redes de distribución o en aplicaciones industriales.
Termómetro
Normalmente
los transformadores de potencia con potencias mayores de 500kVA disponen de un
termómetro localizado en su parte superior, para que se tenga información de la
potencia instantánea y de la máxima que se registre en el período de operación.
Los
termómetros tienen contactos auxiliares que posibilitan el accionamiento de la
señalización de advertencia o de la apertura del interruptor cuando la
temperatura supera los niveles preestablecidos.
Indicador de
nivel
Los
indicadores magnéticos de nivel tienen como finalidad indicar el nivel de los
líquidos y también cuando están previstos de contactos para alarma sirve
también como protección para los transformadores con los que operan los
transformadores de potencia están generalmente dotados de dispositivos externos
que permiten indicar el nivel de aceite en el tanque, por lo general se construyen
con cubierta de aluminio con las partes móviles de latón, las agujas establecen
dos contactos, siendo uno para el nivel mínimo y el otro para el nivel máximo.
Base para
arrastre
Los
transformadores de distribución tienen una base con las laterales dobladas de
manera que no permita que del mismo toque el piso. Los transformadores de potencia tienen unas trabes
transversales fijas a su base, permitiendo con esto que se puedan arrastrar sin
afectar su base.
Dispositivo para
muestra de aceite
Los
transformadores generalmente están dotados por medio de un dispositivo para
retirar muestras de aceite, este dispositivo está localizado en la parte
inferior, que es donde se concentra el volumen de aceite contaminado este
dispositivo consta de una válvula de drenaje.
Válvula de
alivio de presión
Los
transformadores de potencia deben poseer un dispositivo que sea accionado
cuando la presión interna del equipo alcance un valor superior al límite máximo
admisible, permitiendo una eventual descarga del aceite.
Las
válvulas utilizadas para esta finalidad deben tener contactos eléctricos
auxiliares con el fin de permitir la desconexión del interruptor de protección.
La diferencia entre un relevador de súbita presión y una válvula de alivio de
presión, es que el primero actúa durante la ocurrencia de una variación
instantánea de presión interna, en tanto que la segunda opera en la
eventualidad de que la presión rebase un límite establecido.
Las
válvulas de alivio de presión de cierre automático se instalan en transformadores
inmersos en líquido aislante
con la
finalidad de proteger los contras posibles deformaciones o ruptura de tanque,
en casos de fallas internas con presencia de presión elevada, son muy rápidas y
operan aproximadamente en 2 m segundos, cerrándose en forma automática después
de su operación e impidiendo así la entrada de cualquier agente externo al
transformador.
Placa de
características
Todos
los transformadores deben tener una placa que identifique sus principales
características eléctricas y funcionales, esta placa de características en
general tiene un formato rectangular con un espesor de 0.8 mm y debiendo tener
los datos impresos bastante legibles, debe ser resistente a la corrosión, por
lo que pueden ser de aluminio anodizado o de acero inoxidable y estar montadas
en una base que impida su deformación
Relaciones fundamentales
En un
transformador, la relación de transformación es el número de vueltas del
devanado primario dividido por el número de vueltas de la bobina secundaria; la
relación de transformación proporciona el funcionamiento esperado del
transformador y la tensión correspondiente requerida en el devanado secundario.
Si se
requiere una tensión secundaria menor que la tensión primaria, transformador
reductor- el número de vueltas en el secundario debe ser menor que en primario,
y para transformadores elevadores es al revés; cuando la relación de
transformación reduce la tensión, eleva la corriente y viceversa, de manera que
la relación de transformación de corriente y tensión en un transformador ideal
está directamente relacionado con la relación de vueltas o espiras.
La
relación de transformación en transformadores no ideales
Desafortunadamente,
los transformadores no son ideales, y en un transformador real la relación de
tensiones o de corrientes pueden no ser igual a la relación de transformación,
debido a las diferentes pérdidas eléctricas como las debidas al núcleo de hierro del transformador (pérdidas
por histéresis y por corrientes parásitas) y a las pérdidas en el cobre (debido
a la resistencia eléctrica de los devanados primario y secundario); por lo
tanto, los fabricantes diseñan los transformadores de manera que se minimicen
estas pérdidas, para obtener una máxima eficiencia a plena carga, superior al
95% de transformación de la potencia, proporcionando así una relación de
tensiones que difiera como máximo en un 5% a la relación de transformación.
Puesto
que los transformadores están sujetos a varios esfuerzos y cambios en su vida
útil, eléctricos y mecánicos, la adecuada relación de transformación debe ser
verificada antes de ponerlo en servicio y durante los diferentes programas de
mantenimiento, lo cual es el objetivo principal del equipo de pruebas de
relación de transformación; por lo tanto, la relación medida con los diferentes
probadores de relación de transformación (equipos TTR) incluye las pérdidas que
normalmente se encuentran en el transformador, lo que resulta en una relación
diferente a las de las vueltas físicas, pero que refleja la relación de
tensiones real esperada por el fabricante y el usuario, o verdadera relación de
transformación.
Transformador en
carga
En un transformador en carga, se aplica generalmente al
primario la tensión nominal y la tensión de secundario es función de la carga
que tiene acoplada. Las principales características de un transformador en
funcionamiento, que permiten la elección entre varios, son, como ya debería
saber el alumno, la regulación y el rendimiento.
La regulación, r, es una medida de la variación que
experimenta la tensión del secundario cuando aumenta la carga, con factor de
potencia fijo, desde circuito abierto hasta plena carga o nominal. Cuanto menor
sea la regulación de un transformador, mejor será su funcionamiento en cuanto a
caída de tensión interna (ΔV).
Otro factor importante a la hora de elegir un transformador
es el rendimiento. El rendimiento se define como el cociente entre la potencia
que el transformador transfiere a la carga conectada en el secundario y la que
se suministra al transformador, siendo esta última la suma de la potencia
suministrada a la carga más la potencia perdida en el transformador.
Transformador en
Vacío
La potencia absorbida por el transformador trabajando en
vacío es aproximadamente igual a las pérdidas en el hierro (las nominales si se
aplica la tensión nominal en el primario) y se desprecian la pequeña pérdida
que puede haber en el cobre. Para efectuar el ensayo de vacío, el transformador
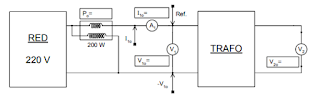
se dispone como se indica en la siguiente figura:
La potencia Po que absorbe el transformador en vacío la
indica el vatímetro. La lectura del amperímetro A1 es la corriente I1o
absorbida desde el primario y los voltímetros V1 y V2, indican, Sistemas
Eléctricos. La tensión V1o a la que hemos conectado el transformador y la
tensión V2o de circuito abierto en el secundario.
Regulación
La regulación de un
transformador se define como la diferencia entre los voltajes secundarios en
vacío y a plena carga, medidos en terminales, expresada esta diferencia como un
porcentaje del voltaje a plena carga. Para el cálculo del voltaje en vacío se
debe tomar en consideración el factor de potencia de la carga.
Las cargas de los
transformadores de potencia varían constantemente, ocurriendo la mayor
variación en los periodos de mayor actividad industrial y comercial, esto
provoca que los voltajes en los secundarios de los transformadores varíen de
acuerdo con la carga y el factor de potencia, dependiendo si está en atraso, en
adelanto o si es la unidad. Ya que todos los equipos eléctricos, electrónicos,
motores, lámparas son muy sensibles a los cambios de tensión que pudiesen
causarles daños es muy importante tener una buena regulación de voltaje, por lo
que es muy importante conocer las características de los elementos constructivos
de transformadores y líneas de transmisión, además de su comportamiento ante
carga capacitiva, inductivas o resistiva.
El Coeficiente de
Regulación de Voltaje o la Regulación de Voltaje (RV) es una cantidad que
compara el voltaje de salida sin carga (en Vacío) con el voltaje de salida a
plena carga y se define por la ecuación.
Para
obtener la regulación de tensión en un trasformador se requieren entender las
caídas de tensión que se producen en su interior. La regulación de tensión de
un transformador depende tanto de la magnitud de las impedancias como del
Angulo de fase de la corriente que circula por el transformador. La forma más
fácil de determinar el efecto de la impedancia y de los ángulos de fase de la
intensidad circulante en la regulación de voltaje del transformador es analizar
el diagrama fasorial, es un esquema de tensiones e intensidades fasoriales del
transformador.
Autotransformador
Un autotransformador es un
transformador especial ya que tiene un único devanado que actúa a la vez de
primario y de secundario. Puede ser concebido como un
transformador con un solo bobinado con sus dos bornes accesibles y con un
tercer borne accesible que conecta a una toma intermedia del bobinado y el
cuarto borne común a alguno de los dos primeros. En otras palabras, serían dos
bobinados conectados de tal manera que tienen dos de sus cuatro bornes
accesibles conectados en común.
Funcionamiento
El principio de funcionamiento es el mismo que el
del transformador común, entonces la relación de
transformación entre las tensiones y las corrientes y el
número devueltas se mantiene.
Las corrientes primaria y secundaria están en
oposición y la corriente total que circula por las espiras en común es igual a
la diferencia de la corriente del devanado de baja tensión y el devanado de
alta tensión.
Para que un autotransformador funcione Adecuadamente
los dos devanados deben tener el mismo sentido de bobinado.
Construcción
Existen autotransformadores con varias tomas en el
secundario y, por lo tanto, con varias relaciones de transformación. De la
misma manera que los transformadores, los autotransformadores también pueden
equiparse con cambiadores de toma automáticos y utilizarlos en sistemas de
transmisión y distribución para regular la tensión de la red eléctrica. También
existen autotransformadores en los que la toma secundaria se logra a través de
una escobilla deslizante, permitiendo una gama continua de tensiones
secundarias que van desde cero hasta la tensión de la fuente.
Ventajas
·
Solo un porcentaje de la energía se trasmite por
inducción
·
El autotransformador por sus características se viene
a ser de menor tamaño por lo que ocuparía menor espacio
·
Existe menor flujo del campo y menor tamaño del núcleo
de hierro.
Se obtienen autotransformadores más livianos.
Se obtienen autotransformadores más livianos.
·
El autotransformador lleva un solo bobinado
·
Menores caídas de tensión
·
Menor intensidad de vacío
·
Es más fácil de construir y requiere menos cobre.
·
En consecuencia, es más económico.
·
Parte de la energía del autotransformador se transmite
eléctricamente.
·
Las perdidas eléctricas siempre son menores que las
perdidas magnéticas
·
El autotransformador tiene mayor rendimiento
·
El autotransformador genera más potencia que un
transformador normal de especificaciones similares
·
Tiene una tensión de cortocircuito pequeña lo que
plantea el inconveniente de que la corriente en caso de corto circuito es
elevada
·
Transfiere más potencia que un transformador normal
Ventajas del transformador
Una firma de buena rentabilidad debe tener su
propio transformador eléctrico, de esta manera se tiene la obtención de la
fuerza, se recibe la bondad de aumentar o rebajar la intensidad de fuerza
eléctrica sosteniendo la frecuencia alcanzando cubrir las labores determinadas en
la distribución electrónicas. Todos los transformadores son imprescindibles
para el conducción asequible de la electricidad que se emplea en residencias,
pymes, firmas etc.
Los transformadores conservan una flujo permanente y orientan índole de energía que aplica en su sistema con el intención de entregar energía continua, unas instrumentos generan un porcentaje de baja, debido a su tamaño y fin.
Los transformadores conservan una flujo permanente y orientan índole de energía que aplica en su sistema con el intención de entregar energía continua, unas instrumentos generan un porcentaje de baja, debido a su tamaño y fin.
La actividad de un transformador consta de energía mecánico-eléctrica que superpuesta se maneja y circula por él una fuerza externa y se origina un sector magnetizado, el mecanismo del sitio engendrará una fuerza electromagnética de la que derivará la energía cristalina que sustentará el uso de los mecanismos potencialmente.
Crean transformadores para todo ejemplos de
trabajo según sus aplicaciones, uno es el disminuido de flujo usado por
empresas, el acortado se proyectan para incrementar o aminora la potencia de
conducción, los transformadores más capaces son los que obran en sistema de
enfriamiento ya que gozan de un tiempo más perenne y provechosa.
En temas de cuotas, un transformador de potencia es considerablemente más alto que un transformador convencional, comprar un transformador de potencia económico puede resultar más gastos a causa de la baja capacidad que lanza y logrará retrasar nuestro período de funciones.
Para una firma que requiere de electricidad ininterrumpida y alta es preferible implementar un transformador de energía y, por consecuencia, precaver la estrechez de fuerza en el dispositivo que está utilizando a la luz.
En temas de cuotas, un transformador de potencia es considerablemente más alto que un transformador convencional, comprar un transformador de potencia económico puede resultar más gastos a causa de la baja capacidad que lanza y logrará retrasar nuestro período de funciones.
Para una firma que requiere de electricidad ininterrumpida y alta es preferible implementar un transformador de energía y, por consecuencia, precaver la estrechez de fuerza en el dispositivo que está utilizando a la luz.
Transformador en paralelo
Cuando varios transformadores se conectan en paralelo se
unen entre sí todos los primarios, por una parte, y todos los secundarios por
otra. Esto obliga a que todos los transformadores en paralelo tengan las mismas
tensiones (tanto en módulo como en argumento) primaria y secundaria. De esto se
deduce que una condición que se debe exigir siempre para que varios
transformadores puedan conectarse en paralelo es que tengan las mismas
tensiones asignadas en el primario y en el secundario; es decir, la misma
relación de transformación
En el caso de que se trate de transformadores trifásicos
conectados en paralelo, no sólo es necesario garantizar que los valores
eficaces de las tensiones asignadas primaria y secundaria (de línea) de todos
los transformadores sean iguales, sino también sus argumentos. Esto indica que
las condiciones necesarias para que varios transformadores trifásicos se puedan
conectar en paralelo son que tengan la misma relación de transformación de tensiones
MT y el mismo índice horario.
Consideraciones para la puesta
en paralelo de transformadores
·
Los
dos transformadores han de estar alimentados por la misma red y tener la misma
tensión y frecuencia.
·
Si
las potencias son diferentes, la potencia total disponible será ligeramente
inferior (Max. 10%) de la suma de las potencias acopladas.
·
La
potencia del transformador más grande no sobrepasará el doble de la del más
pequeño.
·
Las
conexiones deben tener la misma longitud y las mismas características entre los
bornes de BT de los diferentes transformadores y el disyuntor de acoplamiento.
·
Los
acoplamientos de los transformadores deben ser idénticos o compatibles (el
mismo 4 índice horario o índice compatible)
·
Las
tensiones de cortocircuito han de ser idénticas o con una diferencia máx. del
10%
·
La
diferencia entre las tensiones en los secundarios de los distintos
transformadores no debe ser superior al 0,4 %.
·
Los
conmutadores de tomas de los transformadores deben tener las mismas posiciones
de reglaje de tensiones.
·
Comprobar
que los conmutadores de tomas están en las mismas posiciones y se corresponden
a las mismas tensiones asignadas.
·
Comprobar
que las bornes del lado primario están conectadas a las mismas fases de las
tensiones de línea en todos los transformadores.
·
Verificar
que los neutros de los transformadores acoplados en paralelo están unidos a una
misma toma de tierra, o bien están unidos eléctricamente a través de un
conductor. Esta es una condición fundamental para el buen reparto de las cargas
entre transformadores y para que la medida de tensión entre fases homólogas se
realice correctamente.
Condiciones deseables
de trabajo
Podemos
relacionar las condiciones de trabajo con el tipo de mantenimiento que se le
realiza a dichos motores. Al estar en constante funcionamiento, es lógico que
se les aplique mantenimiento
predictivo. A través de estos programas de mantenimiento se pretende
conocer el estado de los equipos y determinar la existencia de defectos con el
fin de anticiparse a un posible fallo y programar adecuadamente las operaciones
periódicas de mantenimiento del transformador o su eventual sustitución.
Los análisis y ensayos ligados al mantenimiento
predictivos de los transformadores se pueden clasificar en tres grandes grupos.
En el primero de ellos se incluyen los análisis físico-químicos del aceite. En
esencia, estos análisis permiten determinar el estado del aceite, detectar
indicios de contaminación y evaluar su grado de envejecimiento, características
que tienen una influencia decisiva en las propiedades dieléctricas y
refrigerantes del aceite. Un segundo grupo de ensayos se asocia con las
técnicas cromatografías empleadas para llevarlos a cabo. Mediante un análisis
por cromatografía de gases se rastrean, y en medida de lo posible se
caracterizan, posibles defectos incipientes en el transformador. El último
grupo de ensayos son los que se realizan “in-situ” sobre el propio
transformador. Permiten confirmar y, en el mejor de los casos, localizar los
posibles defectos detectados usando las técnicas analíticas del aceite. La
información obtenida a través de toda esta batería de ensayos ayuda a tomar las
decisiones más adecuadas en relación a la operación y mantenimiento del
transformador.
Paralelo
de transformador trifásico
Generalmente se presentan los siguientes casos:
Los transformadores están conectados
directamente sobre barras primarias y secundarias
Los primarios están conectados sobre barras y
los secundarios e través de líneas largas en la red de distribución
Se estudiará el primer caso para el cual se
analizarán las condiciones necesarias. En el segundo caso, los conductores
intermedios tienden a regularizar la distribución de la carga pues equivalen a
una impedancia más en serie, y habría que estudiar el sistema considerando la
impedancia de la línea ZL en cada caso particular.
Condiciones necesarias: Para una correcta
conexión en paralelo se deben verificar las siguientes condiciones:
1°) Iguales tensiones de líneas primarias e
iguales las secundarias, lo cual implica igual relación de transformación.
2°) Igual desfase secundario respecto al
primario, lo que implica igual grupo de conexión.
3°) Igual orden de rotación de las fases
secundarias o igual secuencia
4°) Iguales caídas de impedancia relativa en %,
(tensión de cortocircuito porcentual uCC %), siendo preferible que también se
cumpla para sus componentes, caídas de tensiones óhmicas y reactivas
porcentuales, uR % y uX % o diferencias no superiores al 10%
5°) Diferencias de potencias no muy elevadas,
de 1 a 3 1ª Condición: Tensiones
Se analizarán los siguientes casos
: A) igualdad de tensiones
B1) Transformadores en vacío
B2) Dstintas tensiones
B3) transformadores en carga
A) Igualdad de tensiones Las tensiones
primarias de los transformadores a conectar en paralelo deben ser iguales entre
sí, lo mismo que las secundarias entre sí. Esto implica la igualdad de la
relación de transformación. De esta manera no se presenta ningún problema para
la conexión en paralelo. De no cumplirse aparecen inconvenientes que se pasan a
analizar en el caso B.
Paralelo
de transformador monofásico
Cuando
varios transformadores se conectan en paralelo se unen entre sí todos los
primarios, por una parte, y todos los secundarios por otra (Fig. 0). Esto
obliga a que todos los transformadores en paralelo tengan las mismas tensiones
(tanto en módulo como en argumento) primaria y secundaria. De esto se deduce
que una condición que se debe exigir siempre para que varios transformadores
puedan conectarse en paralelo es que tengan las mismas tensiones asignadas en
el primario y en el secundario; es decir, la misma relación de transformación.
Las condiciones que obligatoriamente deben
cumplir los transformadores que se desean conectar en paralelo son éstas:
*
Transformadores monofásicos: Iguales relaciones de transformación m.
*
Transformadores trifásicos: Iguales relaciones de transformación de tensiones
mT e iguales índices horarios.
Además, es
recomendable que los transformadores a conectar en paralelo (mono o trifásicos)
también verifiquen la condición de igualdad de tensiones relativas de
cortocircuito













No hay comentarios.:
Publicar un comentario